| 电功率 |
通过单位时间的电流进行工作。 |
| 焦耳热 |
电流I(安)流经电阻R(欧)在时间t(秒)内产生的热量。公式如下:
W=I2 R t / 4.186= 0.24 I2 R t (卡) |
| 千卡单位 |
1公斤水升高1℃所需的热能,即为1千卡,以Kcal或KWH表示。
1 [Kcal] = 4186 (J) [Watt.sec]
860 (Kcal) = 1 KWH |
| 欧姆定律 |
电压E(伏)加在电阻R(欧)上,产生电流I(安),其关系以下式表示:
I = E / R (A), E = I R (V) 以及 R = E / I (Ω)
其中, I = 电流(安)(A),E = 电压(伏)(V),R = 电阻(欧)(Ω) |
| 串联电阻 |
如果几个电阻串联,则流经每个电阻的电流相同。若各个电阻上的电压降分别为V1、V2和V3,电流为I(安),则有V1
= I R1, V2 = I R2以及 V3 = I R3。 ...
由于跨过AD之间的电压为各个电阻电压降之和,于是有
V = V1+ V2+ V3= I R1 + I R2 + I R3= I (R1+
R2+ R3) |
| 并联电阻 |
电阻R1,R2和R3
|
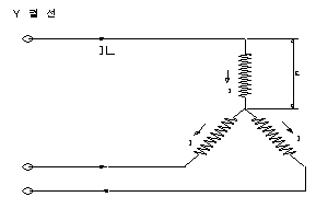
| 三相交流 |
| 当线电压为E(V)的三相平衡交流电加在三角形(Δ)或星形(Y)连接的负载上,则电压、电流和功率之间的关系如下: |
 |
IL = v3I (A)
I = EL / R (A)
W = 3ELI = v3IELIL (W) |
|
 |
EL = v3I E (V)
I = IL = E / R = EL / v3R (A)
W = 3EI = v3ELIL (W)
EL = 线电压(V)
IL = 线电流 (A)
I = 相电流 (A)
R = 电阻 (Ω)
W = 功率 (W)
E = 线路至中线电压 (V) |
|
|
| 欧姆定律图 |
.......... |
| 电热器中kw的计算 |
(A) kw =
重量 (kg) × 比热 × 升温 (oC) / 860
(B) kw = w/? (参照热损失表) × 表面积 (?) / 1000 |
| 液体加热器 |
(1)在1小时内将液体加热至需要的温度所需的kw:kw
= A + B / 2
(2)对于连续工作:kw = A (包括增加的液体) + B |
| 翅片加热器功耗计算 |
公式:m3/min
× 60 min × 1.3 (公斤空气比重) × 0.242 (空气比热) ×
( ) oC 温度 = kcal
kcal ÷ 860 cal × 1.2 (电效率80%) = kW
单位:m3/min = 每分钟的风量
......空气比重)公斤)=
1.3
......空气热=
0.242
......1kW/hr
= 860kcal
※ 还取决于空气流动方向、是否直接或是否弯曲。
例)需要温度50℃,每分钟风量为 0. m3/min.
....- 0.8×60×1.3×0.242×50℃
= 7,550kcal
......7,550÷860=8,779
......8,779×1.2=10,535kW(10535W)
加热器容量 |
| 加热水时的功耗计算 |
公式:水量
× 升温 × 时间(分钟) ÷ 1000 (?) = ?
kcal÷860×1.2 (电效率) = kW
※ 还取决于盖子的类型,如敞开或闭合。
例)水量50㏄,升温50oC,时间20秒(60分钟,每分钟 3 次,3 次/分钟
× 60 = 180 次)
........- 50㏄
× 50 × 180 = 450,000 cal
..........450,000
÷ 1,000 = 450 kcal
..........450
÷ 860 = 0.532 kW
..........0.532
× 1.2 = 0.627 kW (627W)
|